一、功能與用途
HD-DLⅢ型反沖洗式自潔式過濾器廣泛用于冶金、化工、石油、造紙、醫藥、食品、采礦、電力、城市給水領域。諸如工業廢水,循環水的過濾,乳化液的再生,廢油過濾處理,冶金行業的連鑄水系統、高爐水系統,熱軋用高壓水除磷系統。是一種先進、高效且易操作的全自動過濾裝置。
二、設備結構與工作原理
HD-DLⅢ型反沖洗式自潔式過濾器由殼體、多元濾芯、反沖洗機構、電控箱、減速機、電動閥門和差壓控制器等部分組成。殼體內的橫隔板將其內腔分為上、下兩腔,上腔內配有多個過濾芯,這樣充分利用了過濾空間,顯著縮小了過濾器的體積,下腔內安裝有反沖洗吸盤。工作時,濁液經入口進入過濾器下腔,又經隔板孔進入濾芯的內腔。大于過濾芯縫隙的雜質被截留,凈液穿過縫隙到達上腔,最后從出口送出。
本過濾器芯采用高強度的Johnson楔形濾網,通過壓差控制、定時控制自動清洗濾芯。當過濾器內雜質積聚在濾芯表面引起進出口壓差增大到設定值,或定時器達到預置時間時,電動控制箱發出信號,驅動反沖洗機構。當反沖洗吸盤口與濾芯進口正對時,排污閥打開,此時系統泄壓排水,吸盤與濾芯內側出現一個相對壓力低于濾芯外側水壓的負壓區,迫使部分凈循環水從濾芯外側流入濾芯內側,吸附在濾芯內壁上的雜質微粒隨水流進吸盤內并從排污閥排出。特殊設計的Johnson濾網使得濾芯內部產生噴射效果,任何雜質都將被從光滑的內壁上沖走。當過濾器進出口壓差恢復正常或定時器設定時間結束,電機停止運轉,電動排污閥關閉。整個過程中,物料不斷流,反洗耗水量少,實現了連續化,自動化生產。
三、本機特點
a. 本過濾器減速機構采用NRV型減速機;
b. 密封裝置采用CVA62.1-85標準增強四氟雙端面密封結構,密封性能可靠、使用壽命長、承壓能力強;
c. 頂部設有自動排氣閥,結構緊湊、啟閉靈敏;
d. 差壓取樣部分采用D520/7DD型切換差可調式差壓控制器,信號反饋正確;
e. 濾芯采用高強度Johnson濾網,縫隙精確率高、有效過濾面積大、壓降小,反沖洗效率高;
f. 濾芯花板采用304不銹鋼,與反沖洗吸盤工作界面進行鏡面處理;
g. 反沖洗吸盤采用增強聚四氟乙烯結構及反沖洗吸盤自整機構,能確保吸盤與濾芯花板的長效密封,增強了反沖洗效果;
h. 本過濾器電氣控制部分采用PLC可編程控制器,清洗模式采用差壓控制、定時控制及手動控制并聯模式,清洗程序采用定時定位模式,反洗耗水量小,清洗徹底;
i. 電控箱采用立柱子全透屏戶外防水型結構。
四、工作原理圖 |
|
|
 |
 |
|
| 正常過濾狀態 濾芯反沖洗狀態 HD-DL III型反沖洗式自潔式過濾器 |
|
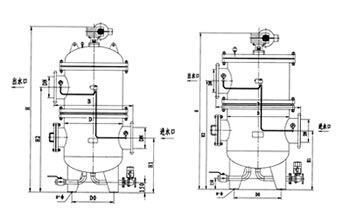
| 五、技術參數及外形安裝尺寸 |
|
公稱直徑
|
mm
|
150
|
200
|
250
|
300
|
350
|
400
|
500
|
600
|
700
|
800
|
900
|
1000
|
1200
|
|
設計壓力
|
MPa
|
1.0MPa(另外有1.6MPa和2.5MPa可供選用)
|
|
|
|
|
|
過濾精度
|
|
(1)沖孔板結構:≥1000um
|
|
(2)復合編織網結構:≥25um
|
|
(3)楔形網:Johnson≥50um
|
|
電機功率
|
KW
|
0.15~2.2
|
|
筒體直徑
|
D
|
500
|
600
|
600
|
900
|
900
|
1000
|
1200
|
1400
|
1600
|
1600
|
1800
|
2000
|
2400
|
|
進口高度
|
H1
|
650
|
700
|
700
|
800
|
800
|
900
|
1000
|
1000
|
1100
|
1100
|
1200
|
1300
|
1500
|
|
出口高度
|
H2
|
1150
|
1200
|
1200
|
1450
|
1450
|
1700
|
1850
|
2000
|
2100
|
2400
|
2600
|
2800
|
3300
|
|
總高
|
H
|
2000
|
2000
|
2000
|
2350
|
2350
|
2650
|
2900
|
3050
|
3250
|
3550
|
3950
|
4260
|
5000
|
|
進出口法蘭距離
|
B
|
800
|
900
|
900
|
1200
|
1200
|
1300
|
1500
|
1800
|
2000
|
2000
|
2200
|
2400
|
2800
|
|
螺孔
|
n-Φ
|
3-Φ24
|
3-Φ24
|
3-Φ24
|
3-Φ24
|
3-Φ24
|
3-Φ24
|
4-Φ26
|
4-Φ30
|
4-Φ30
|
4-Φ30
|
4-Φ30
|
4-Φ30
|
4-Φ30
|
|
支座安裝中心圓
|
D0
|
450
|
500
|
500
|
720
|
720
|
850
|
960
|
1200
|
1400
|
1400
|
1500
|
1700
|
1950
|
|
參考流量m3/h
|
Q
|
160
|
230
|
400
|
600
|
900
|
1000
|
1800
|
2500
|
3000
|
4000
|
5400
|
7000
|
10000
|
|
|
|